Plastic Fasteners
Cable clamps (reusable)
Cable clamps (reusable)
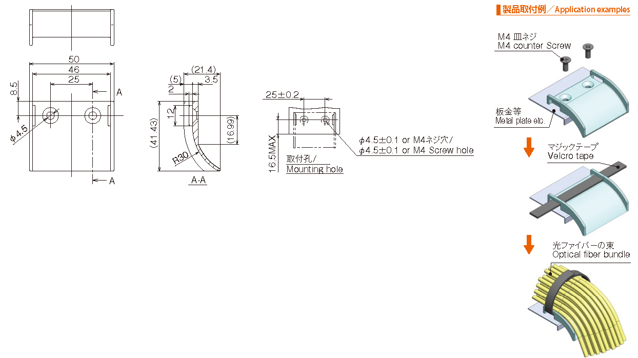
FIBER GUIDE OFG-5042-R30
Feature
The guide maintains bend radius of optical-fiber cables at 30 degrees or more.
A Velcro tape can run through the side slots and bundle optical-fiber cables.
Flat head screw can fix the guide to metal plates.
- Optical fiber guide
Specification
List
| Mounting methods | Screw | Flammability | UL94-V2 rated |
|---|---|---|---|
| Cable mounting direction | Feature | - |
Different part number may have different characteristics. Please refer to the catalog for details.
Product Dimensions
3DPDF
You can download the 3D PDF.
Please contact us for 3D PDFs with different part numbers.
About viewing 3D PDF
When you open a PDF that contains 3D content, you'll see a yellow bar at the top with the message "3D content is disabled."
Please enable the function to view.
To enable 3D content in the current document
Click the Options button and then select an appropriate option:
- Trust this document one time only
- Trust this document always
To enable 3D content permanently:
Go to Edit > Preferences > 3D & Multimedia and then select the Enable playing 3D content checkbox.
Part No. list
You can download a drawing and a test report,
add an sample to Sample Request Box per part number.
| Part No. | Width(Outer diameter) (mm) |
Height(Outer diameter) (mm) |
Panel thickness (mm) |
Drawings/3D Data/Certs | Download Data | Sample Request |
|---|---|---|---|---|---|---|
| OFG-5042-R30 | - | - |
Product Inquiry
Please send us your inquiry from the query system regarding product and technical matter about it.
Suggestion of selection guide of expected Cable Clamp (Re-use Clamp) is also available.
If you are a website member, you can easily ask inquiry after Login.



