プラスチックファスナー製品
配線クランプ(リユースクランプ)
配線クランプ(リユースクランプ)
ビスレスクランプ VLUAMS
穴固定タイプ
特長
工具不要、ねじ穴に差し込むだけで取り付け可能です。
小型・省スペースタイプのクランプです。
- 配線クランプ
仕様
一覧(代表値)
| 固定方法 | ネジ | 難燃性規格 | UL94-V0取得 |
|---|---|---|---|
| ケーブル取付方向 | 上 | 特長 | - |
品番ごとに差異がある場合がありますので、詳細はカタログをご覧ください
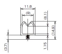
外形図
3DPDF
3DPDFをダウンロードしていただけます。
異なる品番の3DPDFにつきましては、お問い合わせください。
3DPDFの閲覧について
3D コンテンツを含む PDF を開くと、最上部に黄色のバーが表示され、「3D コンテンツは無効になっています。」というメッセージが示されます。機能を有効にしてご覧ください。
現在の文書内の3Dコンテンツを有効にするには
「オプション」ボタンをクリックし、適切なオプションを選択します。
- 今回のみこの文書を信頼する
- 常にこの文書を信頼する
3Dコンテンツを永続的に有効にするには
編集/環境設定/3D とマルチメディアを選択し、「3D コンテンツの有効化」チェックボックスをオ ンにします。
品番一覧
| 品番 | 幅(外径) (mm) |
高さ(外径) (mm) |
取付板厚 (mm) |
図面・3Dデータ・成績書 | サンプル請求 |
|---|---|---|---|---|---|
| VLUAMS-09-M3-V0 | 11.8 | 11.5 | 6 ~ 100 |
この製品に関するお問い合わせ
製品に関するご質問や技術的なお問い合わせなどはこちらのフォームをご利用ください。
配線クランプ(リユースクランプ)選定へのご協力も承っております。
会員登録済みのお客様はログインいただくことで、ご入力を省略して簡単にお問い合わせいただけます。
お客様の個人情報は、弊社「プライバシーポリシー」に従って取り扱うものといたします。
内容をご確認いただき、ご同意いただいた上でご入力ください。
また、お客様サポートのため、弊社担当よりご連絡を差し上げる場合があることをご了承ください。
入力フォーム読み込み中...フォームが表示されない場合



